Power Spacer
Internal-Internal , Full-Length, in M4 with key-width 7
PRODUCT SPECIFICATION
- Hexagonal spacer bolts with full-length internal thread
- For exact distancing of different components
- Prevent mechanical contact between components
- For precise, durable and efficient circuit-board construction
- Easy to use and highly versatile
- RoHS compliant
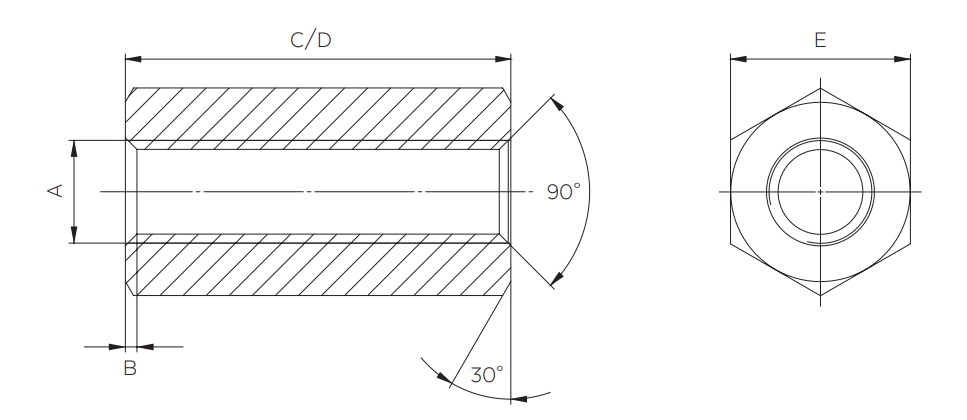
TECHNICAL DATA
| A | B | C | D | Material | part number |
|---|---|---|---|---|---|
| M4 | 0.45 | 4.5 | KW7 | Brass nickel-plated | 06.1.0D01 |
| M4 | 0.45 | 5 | KW7 | Brass nickel-plated | 06.1.0D02 |
| M4 | 0.45 | 8 | KW7 | Brass nickel-plated | 06.1.0D03 |
| M4 | 0.45 | 10 | KW7 | Brass nickel-plated | 06.1.0D04 |
| M4 | 0.45 | 12 | KW7 | Brass nickel-plated | 06.1.0D05 |
| M4 | 0.45 | 13 | KW7 | Brass nickel-plated | 06.1.0D06 |
| M4 | 0.45 | 15 | KW7 | Brass nickel-plated | 06.1.0D07 |
| M4 | 0.45 | 17 | KW7 | Brass nickel-plated | 06.1.0D08 |
| M4 | 0.45 | 20 | KW7 | Brass nickel-plated | 06.1.0D09 |
Scale Drawings
Dimensions B-D in mm
BACK
TO
OVERVIEW

