Power Spacer
Internal-external thread in M3 with key-width 5
PRODUCT SPECIFICATION
- Hexagonal spacer bolts with internal and external threads
- For exact distancing of different components
- Prevent mechanical contact between components
- For percise,durable and efficient circuit-board construction
- Easy to use highly versatile
- RoHS compliant
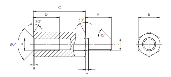
TECHNICAL DATA
| A | B | C | D | E | F | H | J | Material | Part number |
|---|---|---|---|---|---|---|---|---|---|
| M3 | 0.3 | 5 | 3 | KW5 | 8 | 0.7 | M3 | Brass nickel-plated | 06.2.0301 |
| M3 | 0.3 | 5 | 2.5 | KW5 | 12 | 0.7 | M3 | Brass nickel-plated | 06.2.0302 |
| M3 | 0.3 | 6.5 | 2.5 | KW5 | 5 | 0.7 | M3 | Brass nickel-plated | 06.2.0303 |
| M3 | 0.3 | 8 | 5 | KW5 | 8 | 0.7 | M3 | Brass nickel-plated | 06.2.0304 |
| M3 | 0.3 | 10 | 6.5 | KW5 | 8 | 0.7 | M3 | Brass nickel-plated | 06.2.0305 |
| M3 | 0.3 | 12 | 7 | KW5 | 8 | 0.7 | M3 | Brass nickel-plated | 06.2.0306 |
| M3 | 0.3 | 15 | 7 | KW5 | 8 | 0.7 | M3 | Brass nickel-plated | 06.2.0307 |
| M3 | 0.3 | 16 | 8 | KW5 | 8 | 0.7 | M3 | Brass nickel-plated | 06.2.0308 |
Scale Drawings
Dimensions B-D, F-H in mm
BACK
TO
OVERVIEW

