Power Spacer
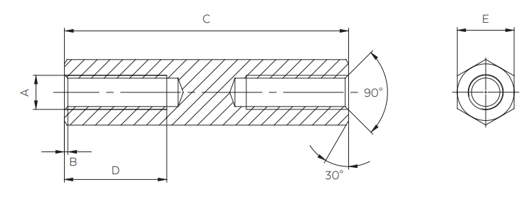
Internal-internal, both sides in M3 with key-width 5
PRODUCT SPECIFICATION
- Hexagonal spacer bolts with full-length internal thread
- For exact distancing of different components
- Prevent mechanical contact between components
- For precise, durable and efficient circuit-board construction
- Easy to use and highly versatile
- RoHS compliant
TECHNICAL DATA
| A | C | B | D | E | Material | Part number |
|---|---|---|---|---|---|---|
| M3 | 0.3 | 18 | 8 | KW5 | Brass nickel-plated | 06.1.0A01 |
| M3 | 0.3 | 19.1 | 8 | KW5 | Brass nickel-plated | 06.1.0A02 |
| M3 | 0.3 | 20 | 8 | KW5 | Brass nickel-plated | 06.1.0A03 |
| M3 | 0.3 | 22 | 10 | KW5 | Brass nickel-plated | 06.1.0A04 |
| M3 | 0.3 | 22.2 | 7 | KW5 | Brass nickel-plated | 06.1.0A05 |
| M3 | 0.3 | 25 | 8 | KW5 | Brass nickel-plated | 06.1.0A06 |
| M3 | 0.3 | 28 | 8 | KW5 | Brass nickel-plated | 06.1.0A07 |
| M3 | 0.3 | 30 | 8 | KW5 | Brass nickel-plated | 06.1.0A08 |
| M3 | 0.3 | 31.8 | 8 | KW5 | Brass nickel-plated | 06.1.0A09 |
| M3 | 0.3 | 38.1 | 8 | KW5 | Brass nickel-plated | 06.1.0A10 |
Scale Drawings
Dimensions B-D in mm
BACK
TO
OVERVIEW

